Trim Packs
Trim isn’t just a finishing touch—it’s what gives a room character, elegance, and a truly polished look. From baseboards and crown molding to door and window casings, wainscoting, and more, our custom trim packs are crafted to enhance every space. We don’t just create new trim—we can match the style and profile of your existing trim, so additions and updates feel seamless and cohesive. Whether it’s one room or your whole home, we deliver flawless craftsmanship, precise cuts, and beautiful details that make every edge and corner look intentional and complete.
Tongue & Groove
Tongue and Groove trim is used mainly for unique wall panels and other decorative siding. It is characterized by its self nesting nature where the tongue of one piece will recede into the groove of the next.
Light Rails
Light Rails are a type of trim that are applied to the bottoms of hanging upper cabinets. A railing is added, which can be used to conceal under cabinet hardware such as lights or just to give a rounding accent to cabinets.
Case
Casing is a trim that covers the outides of windows and doors. It is used to cover any discrepencies between the frame of the doors and windows and the walls of the house.

Case 1

Case 2

Case 3

Case 4

Case 5

Case 6

Case 7

Case 8

Case 9

Case 10

Case 11

Case 12

Case 13

Case 14

Case 15

Case 16

Case 17

Case 18
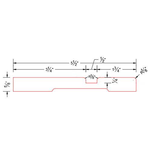
Base
Base is a trim that follows the perimeter of the walls ar the bottom. It covers the transition from wall to flooring and gives a visual consistency to each room.

Base 1

Base 2

Base 3

Base 4

Base 5

Base 6

Base 7

Base 8

Base 9

Base 10

Base 11

Base 12

Base 13

Base 14

Base 15

Base 16

Base 17

Base 18

Base 19

Base 20

Base 21

Base 22
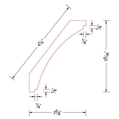
Hand Rails

Hand Rail 1

Hand Rail 2

Hand Rail 3

Hand Rail 4




















